Geometric Dimensioning and Tolerancing (GD&T) is a crucial aspect in ensuring product quality across various industries, from automotive and aerospace to electronics and medical devices. By providing a systematic approach to define and control the size, shape, and position of parts, GD&T helps in maintaining tight tolerances and ensuring that the final product meets design intent. But have you ever wondered about the fundamental building blocks of GD&T? The answer lies in basic dimensions in GD&T.
In this blog post, we will dive deep into the world of basic dimensions in GD&T, their role in GD&T, and how they differ from traditional dimensions. We will also explore how basic dimensions in GD&T are utilized in defining tolerance zones and their importance in inspection reports. Finally, we will discuss the GD&T symbols associated with basic dimensions in GD&T and their usage in feature control frames and material condition modifiers.
Short Summary
- Basic dimensions are essential for applying GD&T to a part, providing precise control over size, shape and position.
- Feature control frames provide instructions and tolerance information necessary for accurately interpreting design intent in parts.
- Quality Control personnel must report deviations from tolerance zones to maintain strict quality standards while material condition modifiers allow bonus tolerances for higher quality products.
Fundamentals of Basic Dimensions

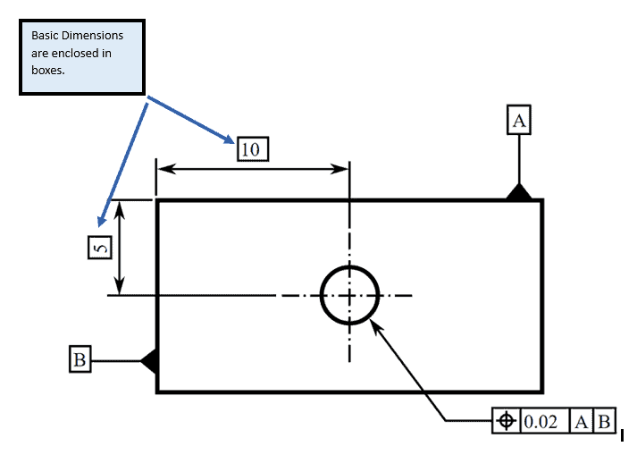
At the core of GD&T lies the concept of basic dimensions. These are theoretically exact values that are employed to define the form, size, orientation, or position of a part or feature. Unlike traditional dimensions, basic dimensions do not possess tolerances associated with them. Instead, they serve as the foundation for applying geometric tolerances to a part. Basic dimensions are typically indicated on a drawing by enclosing them in a box, which makes them easily distinguishable from traditional dimensions.
This important distinction between basic and traditional dimensions is crucial to understanding the role of basic dimensions in GD&T. While traditional dimensions define the size and shape of a feature, basic dimensions go a step further, describing the theoretically exact location, size, location, and orientation of a feature in relation to a coordinate system. This allows for more accurate control of the part's size and location, resulting in enhanced quality control and better inspection reports.
The Role of Basic Dimensions
In GD&T, basic dimensions play a vital role in specifying the nominal size and location of features on the part. They serve as the foundation on which geometric tolerances are applied, ensuring that the features are within the stipulated tolerance range. Basic dimensions provide a clear and concise way to communicate design intent, reducing the chances of misinterpretation and manufacturing process errors.
By utilizing basic dimensions, engineers can effectively implement GD&T to a part, allowing for more precise control over its size, shape, and position. This, in turn, leads to improved quality control and inspection reports, minimizing the risk of producing defective products.
Basic Dimensions vs Traditional Dimensions
To further grasp the significance of basic dimensions in GD&T, it is essential to understand the difference between basic dimensions and traditional dimensions. As mentioned earlier, basic dimensions describe the theoretically exact size, location, or orientation of a feature in relation to a coordinate system. On the other hand, traditional dimensions are numerical values that define the size, shape, location, surface texture, or geometric characteristic of a feature.
In a nutshell, while both basic and traditional dimensions define the size and shape of a feature, basic dimensions go a step further by considering the orientation and position of the feature as well. This added layer of precision helps ensure that the feature size and final product meets design intent and complies with tight tolerances across various industries.
Utilizing Basic Dimensions in GD&T
Basic dimensions are not just theoretical concepts; they play a crucial role in the practical application of GD&T. They are used to define the tolerance zone of a feature, which represents the permissible range of variation from the nominal value. This allows for more accurate control over the part's size, location, and orientation, ensuring that it meets design intent and complies with tight tolerances across various manufacturing processes.
In addition to defining tolerance zones, basic dimensions can also be used to provide bonus tolerance beyond the specified tolerance as features depart from their position tolerance and specified condition. This can be particularly beneficial in industries where tight tolerances are crucial to ensuring product quality and safety, such as aerospace and medical device manufacturing.
Basic Dimensions and Datum Features
In the world of GD&T, data features play a crucial role in orienting a part to its Datum Reference Frame (DRF). These tangible, physical features (such as holes, faces, or slots) on the part exhibit variation and serve as reference points for measurement and inspection.
Basic dimensions are mathematically related to the datum features, which are then used to establish the genuine profile of the part. By understanding the relationship between basic dimensions and data features, engineers can effectively apply GD&T to a part and ensure that it complies with the specified tolerances.
This results in improved quality control and better inspection reports, ultimately leading to a higher-quality final product.
Basic Dimensions and Tolerance Zones
As mentioned earlier, basic dimensions play a crucial role in defining the tolerance zones of features. These tolerance zones specify the permissible range of fluctuation from the nominal values of the features or parts. By employing basic dimensions, engineers can effectively communicate the design intent and ensure that the part complies with the mandated specifications.
Inspection reports play a vital role in verifying that the parts and features comply with the specified tolerances. Therefore, it is essential for inspection reports to incorporate the basic dimensions and the associated tolerance zones to guarantee that the components or features meet the required specifications.
Inspection Reports and Basic Dimensions
Basic dimensions are based on theoretical perfection, thus no deviations occur from actual values. Such accuracy is necessary for the model to work. As such, they are not recorded on inspection reports. Instead, inspection reports focus on documenting deviations from the tolerance zones, ensuring that the parts and features comply with the mandated specifications.
In this context, understanding the role of basic dimensions in inspection reports is crucial for engineers and quality control personnel. By ensuring that deviations from tolerance zones are accurately reported, they can maintain strict quality control standards and minimize the risk of producing defective products.
Reporting Deviations from Tolerance Zones
When it comes to documenting deviations from tolerance zones in inspection reports, measurements and total deviation values are used. These values are measured to help provide a clear and concise representation of how the actual part deviates from its theoretically perfect counterpart, allowing engineers and quality control personnel to identify any non-conformances and take corrective action if necessary.
It is important to note that the Coordinate Measuring Machine (CMM) reports should not provide the defined minimum and maximum values for the surface profile. Instead, the CMM should report the total deviation from the true surface profile as a single value. This ensures that the inspection report accurately reflects the part's compliance with the specified tolerances.
Quality Control Implications
Deviations from tolerance zones can have significant implications for quality control. Non-conformance to specifications general tolerance, can result in defective products, increased costs for rework or scrap, and potential safety hazards. Ensuring that products are manufactured within the specified tolerance limits is of paramount importance to uphold quality and safety standards.
By understanding the role of basic dimensions in inspection reports and accurately reporting deviations from tolerance zones, engineers and quality control personnel can maintain strict quality control standards and minimize the risk of producing defective products. This, in turn, leads to improved product quality, reduced costs, and enhanced customer satisfaction.
GD&T Symbols and Basic Dimensions
In addition to basic dimensions, GD&T employs a variety of symbols to convey design intent and tolerance requirements. Feature control frames, for instance, are used to designate the tolerance range for a feature, while material condition modifiers provide bonus tolerance beyond the specified full tolerance value as the features depart from their specified condition.
In this section, we will delve into the world of GD&T symbols and their relationship with basic dimensions. We will explore how feature control frames and material condition modifiers are used in engineering drawing in conjunction with basic dimensions to provide a clear and concise representation of design intent and tolerance requirements.
Feature Control Frames
Feature control frames are a key component of GD&T, stipulating the requirements or instructions for the various tolerance type of feature to which they are affixed. The initial compartment of a feature control frame comprises one of the geometric characteristic symbols, which convey specific tolerance information for the feature.
Understanding the components of a feature control frame and their relationship with basic dimensions is crucial for accurately interpreting and applying GD&T to a part. By utilizing feature control frames in conjunction with basic dimensions, engineers can effectively communicate design intent and tolerance requirements, ensuring that the part complies with the specified tolerances and meets the desired quality standards.
Material Condition Modifiers
Material condition modifiers are another important aspect of GD&T, providing bonus tolerance beyond the specified tolerance as the features depart from their specified condition. Material condition modifiers, such as Maximum Material Condition (MMC) and Least Material Condition (LMC), are employed in feature control frames after the feature tolerance to accommodate additional geometric tolerance as the features diverge from the prescribed condition.
By understanding the concept of material condition modifiers and their relationship with basic dimensions, engineers can effectively apply GD&T to a part, allowing for more precise control over its size, shape, and position. This, in turn, leads to improved quality control and better inspection reports, ultimately resulting in a higher-quality final product.
Summary
In conclusion, understanding basic dimensions and their role in GD&T is crucial for ensuring product quality across various industries. Basic dimensions serve as the foundation for applying geometric tolerances to a part, allowing for more accurate control over its size, shape, and position. By utilizing basic dimensions in conjunction with feature control frames and material condition modifiers, engineers can effectively communicate design intent and tolerance requirements, ensuring that the part complies with the specified tolerances and meets the desired quality standards.
As industries continue to evolve and demand tighter tolerances and higher-quality products, mastering the concept of basic dimensions in GD&T becomes increasingly important. By diving deep into the world of basic dimensions, engineers and quality control personnel can maintain strict quality control standards and minimize the risk of producing defective products, ultimately leading to improved product quality, reduced costs, and enhanced customer satisfaction.
Frequently Asked Questions
What is basic dimension in Y14 5?
The Y14 5 standard defines basic dimension as a numerical value used to describe the geometric characteristics and precise size, profile, orientation, or location of a feature or datum target. Examples include rectilinear dimensions, diameters, and angles.
In short, basic dimension is a tool used to ensure accuracy in manufacturing processes.
When should I use basic dimensions?
Basic dimensions are an essential tool in Geometric Dimensioning and Tolerancing to provide precision regarding the exact location, size, orientation, or profile of a feature or datum target. They are important because they are theoretically perfect measurements with no associated tolerances.
Using basic dimensions ensures the highest accuracy of the finished product.
What is basic and reference dimension?
Basic dimensions are numerical values used to define the theoretically exact size, profile true position, orientation, or location of a feature or datum target. Reference dimensions are enclosed in parentheses and provide additional information, but are not used in calculations.
Be the first to know about updates at CNC Cookbook
Join our newsletter to get updates on what's next at CNC Cookbook.