What is a Tool Post Grinder?
Tool Post Grinders are a type of cylindrical grinder that is mounted on the tool post of a lathe. They provide you with the ability to do precision grinding without all the cost of a separate cylindrical grinding machine. The downside is that grinding is a messy business and lathe are precision machines. Any time you use a cylindrical grinder be sure to cover your lathes ways to protect them from any grit thrown off by the grinder. Other than that, these metal lathe tools can come in quite handy if you need to do precision work.
When Would You Use a Lathe Tool Post Grinder?
Lathes are often called on to work with more precision than mills. Round parts are often used in rotating machinery which demands higher precision than many other applications. Grinding can achieve higher precision than turning in many cases, although a modern CNC Lathe has eliminated a lot of the advantage of grinding.
You use a Lathe Tool Post Grinder when you're having trouble achieving the required tolerances with normal turning operations.
Homemade Tool Post Grinder Ideas
On numerous occasions, I've found myself in need of a tool post grinder to perfectly finish a shaft to precise tolerances. I'm torn between buying a pre-owned Dumore or Themac on eBay or attempting to build one myself as a project. Basic grinder models are relatively straightforward to create and require attaching a suitable Dremel or hand grinder to the post in a particular manner. However, more sophisticated versions demand the construction of a spindle and emulating the design of commercial tool post grinders. The idea of creating a spindle for one is quite appealing to me. It could act as a useful practice run should I ever decide to construct a more complicated spindle, possibly for a lathe or a mill. In the meantime, I am assembling images of tool post grinders that others have constructed for inspiration.
Several designs ranging from simple to fancier are pictured below:

This is a very slick example using an air grinder and QCTP adapter...



Router-based TP Grinder: A Bit Heavier Duty!

Router-based TP Grinder Again...

Sewing Machine Motor TP Grinder...


TP Grinder from a Makita Trim Router...


A tool post grinder with a slightly larger die grinder. Note the cam action atop for turning on the grinder...

Yet another die grinder-based tool post grinder...

DeWalt Zip Tool is a Heavy Duty Dremel-Compatible Machine...
Nice one from RCPlanebuilder on HMEM


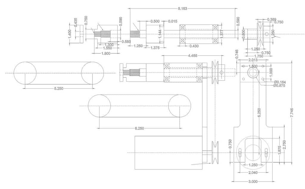
Spindle parts. Note the knurling on the shaft-original cut too small. Knurling raised it to fit the bearing better!

Drive components.

Electric motor is an RC Plane starter. It proved marginal according to the builder...



Nice Cartridge Spindle Project from Mad Modder



And the TP Grinder that goes with that spindle is here.

3/16" Redthane Belting...

Pulley made with a 3/16" endmill and a 4th axis/indexer...

Cartridge spindle and sewing machine motor...

Squaring up to the backplate...

Pilot...

Line boring the spindle holder plates. Nice way to do it on a lathe!



Upgraded to a more powerful router motor!

Adapter to mount Dremel wheels...

Now remade to use a pin chuck-much more accurate than the Dremel chuck!
More Lathe Articles
You've got your lathe setup, now what's your tooling budget?
Be the first to know about updates at CNC Cookbook
Join our newsletter to get updates on what's next at CNC Cookbook.